97705 (Single Heat) Monster-Ram Intake System w/fuel line-2007-18 Dodge/RAM 6.7L
INSTALL INSTRUCTIONS
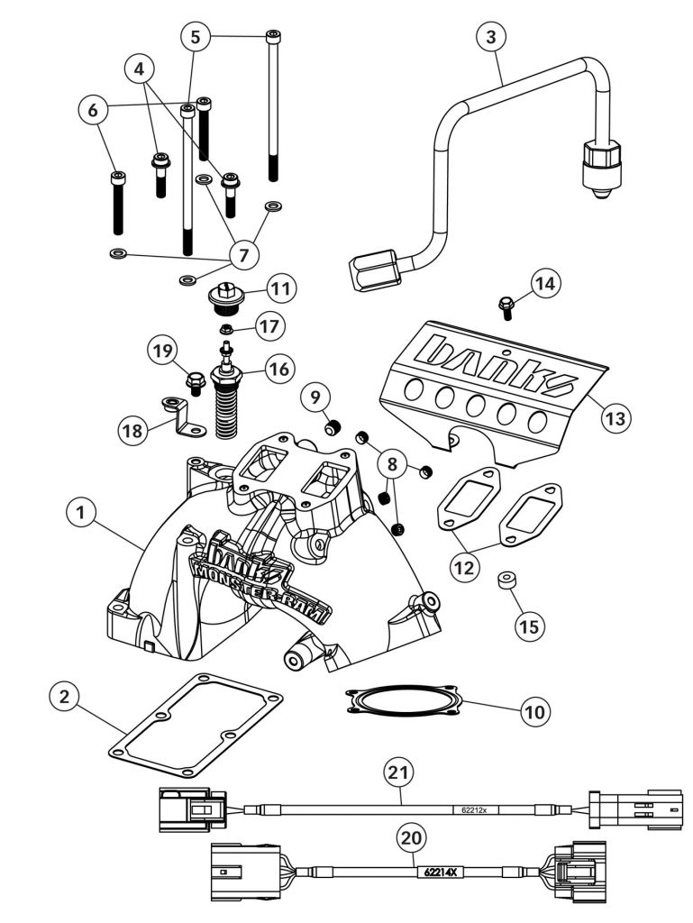
Part #s
42797, 42797-PC, 42797-B, 42798, 42798-PC, 42798-B
Monster-Ram® Air Intake 2007.5-2018 RAM 2500/3500 6.7L Cummins
Note: Individual components vary based on year.
Please read through the following instructions thoroughly before starting your installation. If you have any questions please visit our Support Page.

This install guide references the Single Heat Monster-Ram.
For Dual-Heat Capable Monster-Ram Installs, please use the updated guides below.
(Single Heat) Monster-Ram w/Intake Plate Install Video



Note: The billet heater plate, Item #22, is transitioning to a cast design (42731) with integrated fuel rail spacers. If your kit ships with this cast heater plate, the fuel rail spacers will not be included or used during installation.
In effort to make sure you have the right kit for your model year. Visually check which fuel line is included in your kit before starting installation.


Important Notes:



IMPORTANT!
Coil heater preparation: Remove the top hex nut from the threaded post. You will replace the nut with the supplied flange nut as shown. The lower nut must not be removed from the heater coil. The lower nut must remain 1/8″ above the coil heater body.
Take care when installing OEM heater wire ring terminal, it must be sandwiched between the upper and lower nut. If the lower nut is too low, the ring terminal could contact the body of the coil and will short out.
When tightening the nut, it is very important to use a 10mm wrench or socket on the top nut and an 8mm open-end wrench on the bottom nut to prevent the threaded post from rotating. If the threaded post rotates, it can break the ceramic insulation it’s surrounded by.
If the OEM heater wire touches other metal components, an open short will occur.
Copper washer: All kits now ship with a copper crush washer. Place this washer between the coil heater before screwing it into the Monster-Ram.

Coil-Heater Variants
Your kit may include one of two different style heater coils. One with a visible ceramic insulator, or one that isn’t visible. Both offer the same level of heating performance.

Installing a Dual Heater Upgrade?
See our Dual Heater and Billet Heater Upgrade supplement for important wiring information and diagrams.
OEM Harness and Sensor Removal

1. Disconnect Batteries
Place a rag around each of the negative battery cable ends; this will prevent them from touching the battery again and arcing during the install as you work.

2. Remove Engine Cover
Remove engine beauty cover. Use an 8mm deep socket to remove the four bolts holding the cover down.

3. Remove Dipstick
The dipstick needs to be removed for the cover to come off.

4. Remove engine cover, reinsert dipstick

5. Remove cable tie-downs
Use a panel popper tool or pliers
Note: The 2 bolts with studs extending up past the head are to be located on the left rear of the cover.

6. Remove cable tie-downs

7. Remove engine cover bolts
There are 8 bolts holding on the cover. A wobble extension and placing the socket on the bolts first helps.

8. Remove oil fill cap

9. Place rag over fill neck

10. Remove bolts holding crossover tube bracket
This bracket will not be reused.

11. Remove rag, set down cover

12. Install oil fill cap

13. Remove bolt under center of EGR crossover tube

14. Remove and dispose EGR tube P-clamp

15. Reinstall 8 engine cover bolts – studs in rear passenger side

16. Unlock temp sensor plug from EGR crossover tube
Use a flat-blade screwdriver or pry tool to push the slide-lock.

17. Remove temp sensor by pinching it
Unclip this wire clip for extra clearance.

Note: rear thermocouple
Some older vehicles feature a rear-mounted thermocouple with a black plug.

For those trucks, you need to shave off the keys on both the sensor connector and the supplied harness extension when reinstalling this sensor into the Monster-Ram.
Use a file or Dremel to modify them.

18. Remove EGR valve plug
Press the locking tab, press the plug forward to release tension, then pull back to remove.

19. Remove EGR harness cable tie
EGR Tube Removal

20. Loosen EGR clamp driver’s side
Use a small flat blade to release the clip.

21. Flip EGR clamp upside down for easy access later
Do not remove the clamp yet.

22. Loosen EGR clamp passenger side
Do not remove this clamp yet (A gasket will slip out and fall if you do)

23. Release driver’s side EGR clamp
Keep a hand under the clamp in case the gasket comes loose.

24. Release clamp and remove gasket
Catch the gasket and put it aside for later, this will be used again.

25. Release passenger Side EGR clamp
Apply pressure to keep the gasket in place and keep your hand under the passenger side clamp to prevent the flat EGR gasket from falling into the engine bay.

26. Catch EGR gasket from falling
Intake Elbow Removal

27. Remove throttle heat shield

28. Cut dipstick tube zip-ties
Free up the thick 12V wire for the grid heater.

29. Remove 12V Harness P-Clamp

30. Remove heater cable from terminal
Relocate the wire out of the way once free.

31. Remove dipstick tube bracket

32. Bend tube up slightly
The Monster-Ram is slightly taller than the factory Intake Elbow; you’ll fine-tune this bend after the Monster-Ram is installed.

33. Loosen boost tube clamp
This does not have to be fully removed, just release tension on the hose

34. Pry boost tube hose off throttle body
The hose may feel stuck or glued to the throttle body; carefully walk a panel popper tool around the tube to loosen its grip on the throttle body. This will make removal later on easier.

35. Remove cable tie back of elbow and unplug MAP sensor

36. Remove forward PCV hose

37. Remove 6 bolts on elbow

38. Lean elbow toward you and dislodge boost tube

39. Remove throttle control plug
Now that the elbow has been leaned forward, you can easily reach this plug.

Slide tab over and depress the end to remove the plug.

40. Place rag and clamp over boost tube
Factory Heater Plate Removal

41. Locate first passenger side plug

41a. Slide the pink locking tab over, then pull to release

42. Locate second passenger side plug

Slide Lock In

Depress the button to release the clip

43. Locate third passenger side plug

43a. Disconnect third passenger side plug

44. Locate flat blue driver side plug

44a. Press in the clip with a flat tool, and pull up.

45. Disconnect large driver side engine harness
Depress clip and fully rotate the white lock, then pull to disengage. May need some force due to dust, grime, etc.

Release cable tie

46. Remove rear driver side plug

47. Remove rear driver side flat blue plug

48. Remove rear PCV hose

49. Remove rubber isolator

50. Remove cable ties from driver side studs

51. Remove dipstick tube stud

52. Bungee cord the dipstick tube

53. Remove manifold temp sensor plug

54. Place rag over intake

55. Remove fuel lines
If the inserts in the head start to move, use an open ended wrench to hold them in place.

56. Install dust covers
Insert the covers, open end facing out. The caps should fit (inside) each blocked port.

57. Loosen #6 fuel line and rotate out of way
Do not fully remove the rear fuel rail. It is difficult to reach and only needs to be moved out of the way as shown.

58. Loosen high pressure fuel feed line
Both the upper and lower ends.

59. Swivel back high pressure fuel feed line

60. Remove banjo bolt
Take care not to loose the washer between the fuel rail & banjo bolt.

61. Remove fuel rail bolts

61a. Place rag at the rear of fuel rail
There will still be fuel in the rail, and it’ll leak out in the next step if you don’t do this.

62. Bungee fuel rail
BE VERY CAREFUL NOT TO YANK THE CABLE located at the back of the fuel rail. Be sure that rag stays at the rear of the fuel rail, it will leak when you tilt it back.

63. Remove factory grid heater

64. Clean manifold surface
Take care not to scratch the surface, and vacuum out any debris that fall into the manifold. A rag with some solvent can clean up the finer material.
Be certain there is no rust buildup. Rust or an uneven surface will result in an air leak.

65. Spray adhesive to gasket (Banks logo side)
This is not necessary. It’s just to help keep the gasket aligned during the assembly process.

Side that says Banks, should be the side with the adhesive. Let it sit for about 3 min for the glue to tack up.

66. Align gasket and stick on
Line up all of the bolt holes, and stick the gasket to the flat side of the billet plate.

67. Transfer temp sensor to Banks plate
Take care when removing the sensor and give it a clean with some Scotch Brite.
Don’t over-tighten the sensor into the billet plate as the aluminum is softer than the steel threads on the sensor. It will bottom out so you’ll know when to stop.
Installation of Monster-Ram

68. Remove EGR valve

69. Remove throttle body
The throttle will be stuck onto the gasket, so use a rubber mallet to help tap it free from the elbow.

70. Remove and transfer MAP sensor

71. Remove and transfer elbow stud

72. Clean EGR gasket surface
Take care not to nick the surface. Do the same for the throttle body gasket mating surface.

73. Place new EGR gaskets on Monster-Ram

74. Fasten EGR bolts
Apply a small amount of medium-strength thread locker and tighten to 18 ft/lbs.

75. Align throttle body gasket

76. Fasten throttle body to Monster-Ram

The 1/8” NPT ports shall only be used for installing sensors for measuring air temperature, pressure, or flow. Sensors installed to these ports shall have a fitting of 1/8” NPT and shall not be connected to the vehicle’s electronic control units. In addition, factory sensors that come equipped on the vehicle shall not be disconnected and shall not be relocated to the ports. The ports, when not used, shall be closed off with the supplied plugs.

77. Install sensor plugs
Inspect the threaded holes, and be sure there is no powder coat in the holes.

78. Install rear thermocouple or plug
If installing the plug, apply a 360° bead of blue Loctite around the leading threads first.

79. Install MAP sensor
Now is a good time to clean the sensor with some MAF/MAP cleaner spray.

80. Spray gasket with adhesive

81. Place washers on the hex cap screws, then apply blue thread locker as you install them

82. Use a stock bolt to hold billet plate in place

83. Place fuel rail standoffs
If your kit includes the cast aluminum plate (42731), these standoffs will not be included, and this step can be skipped.

84. Release bungee cord. Place fuel rail and studs in place

85. Install banjo bolt and washer

86. Tighten fuel rail

Torque bolts to 18 ft-lbs

Attention:
Due to age and vibration, over time the fuel injector transfer tube that the fuel lines thread into can back out and loosen.
Check that each of the 6 transfer tubes are torqued to 41 ft/lbs before reinstalling the fuel lines.

87. Tighten fuel lines to 30 ft-lbs

88. Tighten fuel supply line banjo bolt and fuel feed line to 18 ft-lbs

89. Connect temp sensor extension harness.
Be sure to lock the plug once connected.

90. Remove middle right stud for dipstick tube

Slide dipstick bracket over and reinstall stud

91. Push engine harness cable ties back onto studs

92. Put rubber isolator back into place

93. Run rear PCV hose under dipstick tube

94. Connect rear PCV hose back to valve cover

95. Connect rear flat blue injector plug

96. Connect rear white plug
Be sure to slide the pink lock back into position.

97. Route engine harness under dipstick and around valve cover

97a. Plug in 3 remaining plugs



98. Push cable ties onto studs

99. Reconnect engine harness connector

100. Do not connect front blue injector plug yet

101. Remove rag from boost tube, put clamp back on

102. Insert Monster-Ram into boost tube

103. Put long bolt into front corner by hand
This will help hold the Monster-Ram in place. Then do the same for the long bolt on the backside. Followed by the two smaller bolts.

104. Use telescoping magnet to start bolt in the Middle of the Monster-Ram
This is useful for the small bolt in the middle where it is hard to reach, and mandatory for the one that goes through the top coil heater hole. Be sure to use medium-strength thread locker.

Use hex key extension to tighten bolt

Tighten all 6 bolts 18-20 ft/lbs
Start with the bolt that’s inside the Monster-Ram, then work in a cross pattern to torque to spec.

105. Slide copper washer onto heater coil


106. Tighten coil heater by hand
Should be tight, but don’t over do it.

107. Install dipstick tube bracket

108. Now install forward flat blue injector plug
Be sure it clicks.

109. Connect forward PCV hose to valve cover
This is a tight fit, but doable. Wiggle the rubber hose on the nipple a quarter inch, then use a pry tool as a lever to help slide it on.

110. Plug in MAP sensor (rear of Monster-Ram)
Secure the slide lock back into position.

111. Plug in throttle plug
Secure the slide lock back into position.

112. Tighten boost tube clamp

113. Remove and discard 12v heater cable P-clamp

114. Install 12V heater wire locker to coil heater
Bend 12V Cable around as shown over the stud.

12V cable should be sandwiched in-between both nuts and the included lock washer.

115. Tighten 12V heater nut
Be sure to use a wrench to hold the lower nut when tightening the top nut.
Failure to do this can cause the stud to break free of its ceramic insulation, potentially coil-binding the heater coil, or cause the nuts to walk and touch the body of the truck.

116. Flat washer goes on passenger side of EGR tube

117. Put clamp over union and hand tighten

118. Conical gasket goes on driver side of EGR tube

119. Tighten driver side clamp

120. Tighten passenger side clamp

121. Loosen front bolts on EGR valve

122. Install EGR heat shield and tighten bolts

123. Place rear heatshield spacer and screw
Use a drop of thread locker on the screw to prevent it from vibrating out.

124. Tighten torx head screw

125. Install throttle heat shield bolt and nuts

126. Connect EGR temp sensor

127. Connect EGR extension and harness

128. Reconnect batteries

129. First start may take 30 seconds to 1 minute of engine turnover
This is normal. The fuel system, rail, and lines need to re-pressurize.
130. Check for leaks
Check that all harnesses and components are free of moving parts. Check for any leaks while the engine is running. Head out for a short test drive, and double-check for leaks one more time..

CARB EO label
For smog check purposes, affix the CARB E.O. Label on a visible location under the hood. Banks recommends using the radiator shroud location.
